欢迎来到罗托克(天津)自动化技术有限公司网站!

详细介绍
【用途】
ZT型阀门电动装置适用于控制闸阀、截止阀等 阀瓣做直线运动的阀门。也可与不同形式的二级减速机构进行 组合,成为可控制球阀、蝶阀等类型阀门的如'度回转的阀门电 动执行该系类产品可广讶用于使用管道阀门的绐排水、 电站、化工、供熬、食品、纺织、造纸、建筑、制药、曬白、 钢铁和煤僂 工程。
公司新研发ZT型阀门电动装置,在开关型基础上增加的选配功 能,为不同的需求用户增加了更务选择空间。
选配功能一:福晶虽示窗口艮就地操作功能
选配功能二:自动暴相艮断相保护
选配功能三:迓外线设定艮控制
选配功能四:自动调节功能
[工作环境和主要技术参融]
,可选电源:AC380V 50HZ
,环境温度:-25P~+5lTC
,防护等级:IF65
•相对湿度^90%既无时)
•工作制:短时工作制,额定时间1口分钟
【型号表示方法】
ZTn/n/n
ZT
ZTd/d/dd
普通开关型
整体型
整体调节型
ZTn/n/nn 非侵入式智能型
*□/□/□; 输出转矩偷出转速/阀门启闭全行程所需的车专圈数
智能型非侵入式电动装置
【主点】
河提供供响嚥序自动缅及断相报警枷ti能
,自动调节功能,可接收和反tttUDmA电施信号瑩计算机、DCS、PLG输入僦出信号通■均采用光电隔 m 可承受2000V浪涌电压)
旧匯入式设计,免开噸雖,疆控器设定,曲圈口进行人机时话
峰中文汉字显示,提供良好的用户界面
噬行故瞄斷稣
■电机过热保护功辎
深用様电子技术、计算机技术、红外缱明蜷术、磁揑开美技术、液■数字显示披术取代齣岫方式
•可选冋络总场控制,机构通过増配不同的葛懺接口,实现各种目前广为旅传的现场总线功縮,如Proflbus^
成电电源可选三项三鑼制、三项四场制、轲i等不同方式
费可选用航空插头引出方式
智能型非侵入式电动装置
■ 外形尺寸圄



| R | 电机 | 输出转速r/min | fi±K杆 直径mm | 朝推力 KN | * | ,动速比 | ,考重■ | |||
| 功率Kw | 电55A | 24 | 36 | |||||||
| 3出转矩Mr | I | |||||||||
| ZTE | 0.09 | 0.6 | 50 | 1 | / | (P 2B | 20 | 25-26 | ||
| ZT7.5 | fi12 | 0.7 | 75 | / | { | |||||
| U.25 | 1.3 | / | 100 | i | (P 2B | 40 | 50 | |||
| ZT10 | G.37 | 1.6 | / | 150 | 100 | 55-65 | ||||
| ZT30 | 0.55 | 2.4 | / | 200 | 150 | (P 40 | 100 | 1:1 | ||
| 0.75 | 2.9 | / | 300 | 200 | ||||||
| 1.1 | 3.4 | / | 450 | ® 4fi | 150 | |||||
| ZT45 | 1.5 | 4.5 | / | 600 | 45 G | 120 | 130-140 | |||
| ZT120 | 2.2 | 6.5 | / | 900 | 600 | ® 60 | 200 | |||
| 3 | 9 | / | 1200 | DUG | ||||||
| 4 | 11 | / | 1800 | (P 70 | 325 | |||||
| ZT1B0 | 5.5 | 14 | / | 2500 | 1800 | 150 | 25:1 | 225-310 | ||
| ZTE00 | 7.5 | 19 | / | 3500 | 2500 | cP 75 | 700 | |||
| 11 | 26 | / | 5000 | 3500 | ||||||
ZT型电动执行机构外形尺寸参教
| 代号 型号 | H | L | L1 | F | F1 |
| 235 | 400 | 260 | 340M70 | 215/345 | |
| ZT7.5 | |||||
| ^10 | 520 | 290 | |||
| ^15 | 320 | 530 | 300 | 420/950 | 240/370 |
| ^20 | 555 | 325 | |||
| ^30 | 595 | 366 | |||
| ZT4S | 675 | 386 | |||
| 450 | 730 | 440 | 576/706 | 300M30 | |
| ^90 | 750 | 460 | |||
| ZT120 | 780 | 490 | |||
| ZT180 | 810 | 500 | |||
| ZT250 | 610 | 68(^700 | 386M06 | ||
| ZT350 | 915 | 606 | |||
| ZT500 |
注:/斜线下方数字为整体型' 智能型外形尺寸
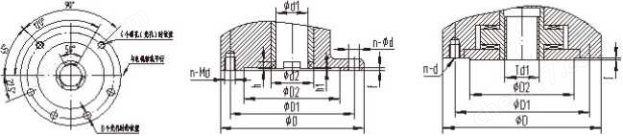
法兰结构及尺寸

| 理号 | JB2920 | 推力型GB12222 | ||||||||||||||||||
| 孵号 | D | D1 | D21H9) | hi | f | h | di | d2 | d | n | H | D | DI | D24H9) f D1max d L n | ||||||
| ZT5-15 | 2 | 145 | 120 | 30 | 2 | 4 | a | 30 | 45 | M10 | 4 | F10 | 125 | 102 | 70 | 3 | T28 | M10 | 40 | 4 |
| 21 | 115 | 95 | 75 | 2 | 4 | s | 26 | 舶 | MB | 4 | ||||||||||
| ^20-30 | 3 | 185 | 160 | 125 | 2 | 4 | 10 | 42 | 5S | M12 | 4 | F14 | 175 | 140 | 100 | 4 | T40 | M16 | 55 | 4 |
| 31 | 145 | 120 | 90 | 2 | 4 | s | 30 | 45 | M10 | 4 | ||||||||||
| E5-6D | 4 | 225 | 195 | 150 | 2 | 5 | 12 | 50 | 72 | M16 | 4 | F16 | 210 | 165 | 130 | 5 | T48 | M2L | 70 | 4 |
| ZT90-120 | 5 | 275 | 235 | 180 | 2 | 5 | 14 | 62 | H2 | M20 | 4 | F25 | 300 | 254 | 200 | 5 | T60 | M16 | 90 | S |
| 51 | 230 | 195 | 150 | 2 | 5 | 12 | 50 | 72 | M16 | 4 | ||||||||||
| ZT180-200 | 7 | 330 | 285 | 220 | 3 | 6 | 16 | 72 | 船 | M24 | 4 | F30 | 350 | 23S | 230 | 5 | T70 | M2L | 110 | S |
| ZT350-500 | 8 | 380 | 340 | 280 | 3 | 6 | 20 | HU | 11H | M20 | S | F35 | 415 | 35 | 3 260 | 5 | T75 | M3L | 150 | S |
用户订货清说明圈下内容:
1. 阀门所需转矩(N.e),转速(「/min),打开阀门所需转圈数(或阀门口径和阀 杆螺距EE)阀杆直径(EE),连接尺寸。
2. 产品使用环境
3. 各种特殊要求
产品咨询